Правильный город?
Все верно Изменить город
127254, г. Москва, ул. Руставели д. 14, стр. 6, оф. 8
Пн-Пт: с 9:00 до 18:00
Сб-Вс: выходной
Оставить заявку

Вертикальный термопластавтомат YUHDAK YD

Фирма:

-

Описание:

Вертикальный термопластавтомат для двухкомпонентного (двухцветного) литья серии YD компании YUHDAK — четырёхколонная машина с вертикальным узлом впрыска, оснащённая поворотным столом для последовательного формирования изделий из двух материалов или цветов.

Особенности стандартной версии вертикального термопластавтомата YUHDAK YD для двухкомпонентного литья:

Особенности специальной версии вертикального термопластавтомата YUHDAK YD для двухкомпонентного литья:

Технические характеристики вертикальных термопластавтоматов для двухцветного (двухкомпонентного) литья YUHDAK YD

Модель YD-90-4R3 YD-120-4R3 YD-160-4R3 YD-200-4R3
Варианты узла впрыска Размер I II I II I II I II
A.B. A.B.
A.B.C A.B.C B.C.D B.C.D B.C.D.E B.C.D.E
Узел смыкания
Усилие смыкания т 90 (45 x 2) 120 (60 x 2) 160 (80 x 2) 200 (100 x 2)
Ход открытия пресс-формы
мм 200 250 250 300
Максимальный просвет
мм 250 300 300 300
Минимальная толщина пресс-формы мм 450 550 550 600
Диаметр поворотного стола мм Ø856 Ø980 Ø1172 Ø1178
Гидравлическое усилие выталкивателя т 2,7 2,7 2,7 3,3
Ход толкателей мм 100 100 100 130
Другие характеристики
Мощность двигателя кВт 14,9 18,7 29,8 37,3
Объем гидравлического бака
л 300 380 560 660
Габаритные размеры (Д х Ш х В) Д (м) 1,9 2,3 2,5 2,7
Ш (м) 1,6 1,9 2,0 2,0
В (м) 3,2 3,7 3,9 4,3
Вес т 4,5 8,0 10,6 12,4

Технические характеристики вертикальных термопластавтоматов для двухцветного (двухкомпонентного) литья YUHDAK YD

Модель YD-250-4R3 YD-300-4R3
YD-500-4R3
Варианты узла впрыска Размер I II I II I II
C.D.E.F C.D.E.F
F.G.H F.G.H
G.H.I G.H.I
Узел смыкания
Усилие смыкания т 250 (125 x 2) 300 (175 x 2)
500 (250 x 2)
Ход открытия пресс-формы
мм 300 350 350
Максимальный просвет
мм 350 400 500
Минимальная толщина пресс-формы мм 650 750 850
Диаметр поворотного стола мм Ø1350 Ø1550
Ø1750
Гидравлическое усилие выталкивателя т 3,3 5,4 5,4
Ход толкателей мм 150 150 150
Другие характеристики
Мощность двигателя кВт 44,8 52,2
74,6
Объем гидравлического бака
л 840 1020 1250
Габаритные размеры (Д х Ш х В) Д (м) 2,9 3,5 4,5
Ш (м) 2,4 2,9 3,2
В (м) 4,5 5,0 5,8
Вес т 15,3 23,6 31,2

Технические характеристики узлов впрыска для вертикальных термопластавтоматов для двухцветного (двухкомпонентного) литья YUHDAK YD

Узел впрыска
А
В С D E
Диаметр шнека мм 28 26 26 32 28 36 32 40 34 42
Давление впрыска кгс/см2 1714 1014 1988 1312 2008 1215 1914 1225 1931 1265
Теоретический объем впрыска см3 25 42 55 84 83 137 124 194 149 228
Максимальный вес впрыска (PS) гр 22 38 50 75 74 123 112 175 134 205
Объемная скорость впрыска см3/сек 30 52 35 52 47 78 56 88 70 108
Скорость вращения шнека об/мин 0-150 0-155 0-165 0-160 0-160
Мощность нагревателей кВт 2,0 х 2 3,5 х 2 4,5 х 2 6,0 x 2
7,5 x 2

Технические характеристики узлов впрыска для вертикальных термопластавтоматов для двухцветного (двухкомпонентного) литья YUHDAK YD

Узел впрыска
F
G H I
Диаметр шнека мм 38 50 42 50 46 55 55 65
Давление впрыска кгс/см2 2079 1200 2000 1411 2023 1423 2082 1491
Теоретический объем впрыска см3 204 353 276 392 365 522 593 829
Максимальный вес впрыска (PS) гр 183 317 249 353 328 470 534 746
Объемная скорость впрыска см3/сек 381 141 109 154 128 193 258 236
Скорость вращения шнека об/мин 0-150 0-155 0-165 0-160
Мощность нагревателей кВт 9,0 х 2 11,0 х 2 13,0 х 2 15,0 x 2

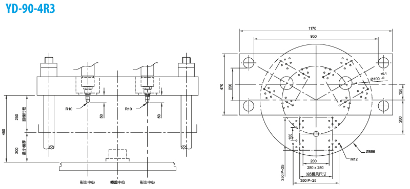
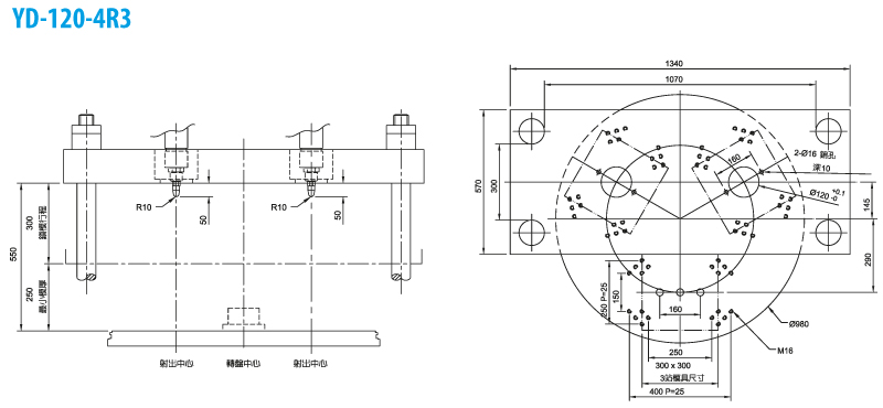
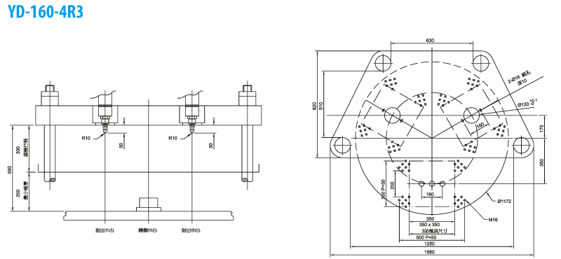
Размер плит вертикального термопластавтомата для двухцветного литья YUHDAK YD

ТПА YUHDAK YD-90

Термопластавтомат YUHDAK YD-120

ТПА YUHDAK YD-160

ТПА YUHDAK YD-200

ТПА YUHDAK YD-250

ТПА YUHDAK YD-350

ТПА YUHDAK YD-500


Смотрите также

Горизонтальный термопластавтомат SONLY U650TS-F9
Cмыкание: 650 т
Объем впрыска: 2563-3548 см3
Между колонн: 920X810 мм
Подробнее
Машина для растяжки баллонных трубок
Подробнее
Компаунд для очистки шнека и ГКС Ultra Plast PO-CS (готовая смесь)
Материал: HDPE, LDPE, PP, PVC, ABS, PA
Температура переработки: 140-300°С
Очистка шнека и ГКС
Подробнее
Экструзионно-выдувная машина 05 L
Максимальный объем 0,5 л
Подробнее

Остались вопросы?

Отправьте контактные данные и наши специалисты свяжутся с вами в течение дня.