Правильный город?
Все верно Изменить город
127254, г. Москва, ул. Руставели д. 14, стр. 6, оф. 8
Пн-Пт: с 9:00 до 18:00
Сб-Вс: выходной
Оставить заявку

Горизонтальный термопластавтомат SONLY U680TS

Фирма:

-

Описание:

Гидравлический ТПА SONLY серии TS

  • Усилием смыкания 680 т;
  • Расстояние между колонн 960х865 мм;
  • Объем впрыска от 2790 до 3862 см³ в зависимости от модификации шнека

Технические характеристики термопластавтомата SONLY U680TS


Модель U680TS
Международная спецификация 4966
Шнек A B C D
Узел впрыска
Диаметр шнека мм 85 90 95 100
Отношение L/D   23,3 22 20,8 19,8
Теоретический объем впрыска см3 2790 3128 3486 3862
Вес впрыска г 2567 2846 3207 3553
Давление впрыска мПа 178 159 143 120
Максимальная скорость вращения шнека об/мин 126
Узел смыкания
Усилие запирания кН 6800
Максимальное открытие пресс-формы
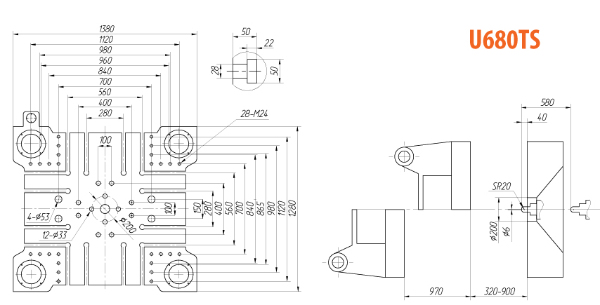
мм 970
Расстояние между колонн мм 960 х 865
Максимальная толщина пресс-формы мм 900
Минимальная толщина пресс-формы мм 320
Максимальный ход толкателей мм 265
Усилие толкателей кН 212
Количество толкателей шт 16+1
Другие характеристики
Диаметр установочного отверстия мм 200
Давление в системе мПа 16
Мощность двигателя (версия с фиксированным насосом) кВт 30+37
Мощность двигателя (версия с серводвигателем) кВт 37+45
Мощность нагревательных элементов кВт 45
Объем бака л 1200
Вес кг 6000+23000
Габаритные размеры мм 4800 х 2200 х 3100
5800 х 2400 х 2400
Размеры плит термопластавтомата SONLY U680TS


Размеры плит термопластавтомата SONLY U680TS

Габаритные размеры термопластавтомата SONLY U680TS


Габаритные размеры термопластавтомата SONLY U680TS


Смотрите также

Рукав РВД тефлоновый гладкий армированный
Подробнее
Установки для очистки каналов охлаждения SmartClean Duall v3 PLC
Объем бака: 110 л
Количество насосов: 2 шт
Управление: сенсорный экран
Подробнее
Стандартные ротаметра для воды MARSE серии ZR и ZS
Максимальная температура: 95 0С
Количество зон от 1 до 12
Подробнее
Компаунд для очистки шнека и ГКС Ultra Plast HT-S (компаунд)
Материал: PA, ABS, PEEK, PPS, PPO, ULTEM, PBT, PEI, PES, PSU, PPSU
Температура переработки: 250-420°С
Очистка шнека и ГКС
Подробнее

Остались вопросы?

Отправьте контактные данные и наши специалисты свяжутся с вами в течение дня.