Правильный город?
Все верно Изменить город
127254, г. Москва, ул. Руставели д. 14, стр. 6, оф. 8
Пн-Пт: с 9:00 до 18:00
Сб-Вс: выходной
Оставить заявку

Вертикальный термопластавтомат YUHDAK Серия Y-V

Фирма:

-

Описание:

Специализированный вертикальный термопластавтомат серии Y-V компании YUHDAK предназначен для литья изделий с закладными элементами, таких как провода и электрические вилки. Машина выполнена в колонной конструкции и оснащена вертикальным узлом впрыска.

Усилие запирания: 15, 20 или 25 тонн.

Доступные конфигурации рабочего стола:

  • фиксированный стол (V);
  • один выдвижной стол (1S);
  • два выдвижных стола с поворотом на 180° (2S), обеспечивающие возможность параллельной загрузки и повышения производительности.

Особенности:

  • Вертикальный впрыск.
  • Вертикальный узел смыкания.
  • Подходит для производства обычных электрических штекеров, электронных компонентов и других формовочных вставок небольшого размера.
  • Двух- или трехступенчатый контроль температуры / скорости впрыска / многоступенчатая регулировка противодавления и т. д., позволяет производить прецизионные пластмассовые изделия.
  • Режим быстрого / медленного смыкания, медленное закрытие формы при низком давлении, автоматическое аварийное открытие пресс-формы формы при нарушении смыкания и другие специальные функции для защиты пресс-формы и оператора.
  • Фиксированная нижняя полуформа / подвижная верхняя полуформа, обеспечивают хорошее позиционирование отформованной вставки в пресс-форме. Для удобства работы готовое изделие извлекается гидравлическим выталкивателем.
  • Стандартное исполнение V с фиксированным столом.
  • Опционально исполнение 1S с одним выдвижным столом, который двигается вперёд-назад.
  • Опционально исполнение 2S с двумя выдвижными столами под углом 1800, которые двигаются влево-вправо. Позволяет установит две нижние полуформы для увеличения производительности.

Технические характеристики вертикальных термопластавтоматов YUHDAK Y-V для производства электрических вилок

Модель Y-15 Y-20
Y-25
Исполнение V V V
Узел впрыска
Диаметр шнека мм 22 26 24 28 30 34
Давление впрыска кгс/см2 1417 1015 1556 1143 1493 1163
Теоретический объем впрыска см3 36 50 50 68 85 109
Максимальный вес впрыска (PS) гр 44 60 60 82 103 132
Объемная скорость впрыска см3/сек 36 50 41 55 56 72
Узел смыкания
Усилие смыкания т 15 20 25
Ход открытия пресс-формы мм 200 215 215
Максимальный просвет мм 240 295-395 315-415
Минимальная толщина пресс-формы мм 40 80-180 100-200
Расстояние между колон (Г х В) мм 310 х 150 350 х 150 450 х 150
Гидравлическое усилие выталкивателя т 0,7 0,7 0,7
Ход толкателей мм 28 28 28
Другие характеристики
Мощность двигателя кВт 2,2 3,7 5,5
Мощность нагревателей кВт 2 2,3 2,5
Объем гидравлического бака
л 90 95 105
Габаритные размеры (Д х Ш х В) Д (м) 1,2 1,3 1,4
Ш (м) 1,2 1,2 1,2
 В (м)  2,4 2,9 3,1
Вес т 0,7 0,8 1,0

Размер плит вертикального термопластавтомата для производства сетевых электрических вилок YUHDAK Y-V

Размеры плит вертикального ТПА YUHDAK Y-15-V

Размеры плит вертикального ТПА YUHDAK Y-20-V

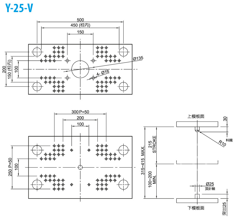
Размеры плит вертикального ТПА YUHDAK Y-25-V


Смотрите также

Вертикальный термопластавтомат с усилием запирания 85т DENICE DV-850
Усилие смыкания: 85 т
Впрыск: 163-289 см3
Подробнее
Горизонтальный термопластавтомат SONLY U570TS-F9
Cмыкание: 570 т
Объем впрыска: 1726-2486 см3
Между колонн: 870х800 мм
Подробнее
Сухая градирня ISI TAN CK320
Хладопроизводительность 323 кВт
Подробнее
Вертикальный термопластавтомат YUHDAK YQ
Вертикальный впрыск
- Фиксированный стол
- Выдвижной стол
- Два выдвижных стола 900 или 1800
Подробнее

Остались вопросы?

Отправьте контактные данные и наши специалисты свяжутся с вами в течение дня.