Правильный город?
Все верно Изменить город
127254, г. Москва, ул. Руставели д. 14, стр. 6, оф. 8
Пн-Пт: с 9:00 до 18:00
Сб-Вс: выходной
Оставить заявку

Вертикальный термопластавтомат YUHDAK YR

Фирма:

-

Описание:

Вертикальный термопластатомат YUHDAK YR – колонный термопластавтомат с вертикальным впрыском и поворотным на 180 градусов столом.

Особенности:

  • Вертикальный узел смыкания
  • Вертикальный впрыск.
  • Стол поворачивается на 180°, поворачивается вперед / назад для удобства загрузки и извлечения готовых деталей, что повышает производительность.
  • Поворотный стол имеет установочный штифт, который позволяет точнопозиционировать пресс-форму
  • Наличие интерфейса для подключения робота для полной автоматизации.
  • Стандартно использует 2 станции, также может выполнять функции 3-х или 4-х станций.
  • Стандартный узел смыкания имеет 3 колоны. По запросу возможно изготовления вертикального ТПА с 4-мя колоннами.

Технические характеристики вертикальных термопластавтоматов с поворотным столом YUHDAK YR

Модель YR-25-3R YR-40-3R
YR-60-3R
YR-90-3R
Узел впрыска
Диаметр шнека мм 24 30 28 32 36 32 36 40 34 38 42
Давление впрыска кгс/см2 2333 1493 2009 1538 1215 1914 1512 1225 1932 1546 1266
Теоретический объем впрыска см3 47 74 83 109 137 125 158 195 150 187 229
Максимальный вес впрыска (PS) гр 43 67 75 98 124 112 142 175 135 168 206
Объемная скорость впрыска см3/сек 30 47 46 61 77 59 74 91 70 88 107
Скорость впрыска мм/сек 66 75 73 77
Узел смыкания
Усилие смыкания т 25 40 60 90
Ход открытия пресс-формы
мм 215 215 215 250
Максимальный просвет
мм 360 / 410 360 / 410 415 / 465 450 / 500
Минимальная толщина пресс-формы мм 145 / 195 145 / 195 200 / 250 200 / 250
Расстояние между колон (Г х В) мм 350х150 400х200 450х250 510х310
Гидравлическое усилие выталкивателя т 1,7 1,7
1,7
2,7
Ход толкателей мм 60 60 100 100
Подвижный узел (поворотный стол)
Диаметр стола мм Ø520 Ø780 Ø856
Ø980
Максимальный размер квадратной пресс-формы мм 150x150
220x220
260х260 300х300
Максимальный размер прямоугольной пресс-формы мм 150х200 170х300 200х350 250х450
Другие характеристики
Мощность двигателя кВт 3,7+2,2
(5+3)
5,5+2,2
(7,5+3)
7,5+2,2
(10+3)
11,2+5,5
(15+3)
Мощность нагревателей кВт 3,5 4,5 6,0 7,5
Объем гидравлического бака
л 200 225 250 300
Габаритные размеры Д (м) 1,8 2,0
2,6 2,4
Ш (м) 1,3
1,5
1,6 1,7
В (м) 3,0 3,5
3,9
4,0
Вес т 2,2 3,0
4,0
4,9

Технические характеристики вертикальных термопластавтоматов с поворотным столом YUHDAK YR

Модель YR-120-3R YR-160-3R
YR-200-3R
YR-250-3R
Узел впрыска
Диаметр шнека мм 38 44 50 42 50 46 55 55 65
Давление впрыска кгс/см2 2080 1551 1201 2000 1411 2034 1423 2083 1491
Теоретический объем впрыска см3 204 274 353 277 393 366 523 594 830
Максимальный вес впрыска (PS) гр 184 2246 318 549 353 329 470 535 747
Объемная скорость впрыска см3/сек 85 114 148 110 155 126 193 171 236
Скорость впрыска мм/сек 75 79 77 72
Узел смыкания
Усилие смыкания т 120 160 200 250
Ход открытия пресс-формы
мм 300 300 350 400
Максимальный просвет
мм 550 / 600 550 / 600 650 / 700 800 / 850
Минимальная толщина пресс-формы мм 250 / 300 250 / 300 300 / 350 400 / 450
Гидравлическое усилие выталкивателя т 2,7 3,3 4,5 4,5
Ход толкателей мм 100 125 150 150
Подвижный узел (поворотный стол)
Диаметр стола мм Ø1178 Ø1350 Ø1550
Ø1750
Максимальный размер квадратной пресс-формы мм 300x300
400x400
500х500 5500х550
Максимальный размер прямоугольной пресс-формы мм 300х500 400х550 450х600 500х650
Другие характеристики
Мощность двигателя кВт 14,9+2,2
(20+3)
18,7+22
(25+3)
22,4+2,2
(30+3)
29,8+2,2
(40+3)
Мощность нагревателей кВт 9 11 13 15
Объем гидравлического бака
л 350 400 450 500
Габаритные размеры Д (м) 2,7
3,0
3,2 3,6
Ш (м) 1,7
1,9
2,1
2,3
В (м) 4,3
4,8
5,3
5,7
Вес т 6,0
8,0
11,5 14,0

Размер плит вертикального термопластавтомата с поворотным столом YUHDAK YR

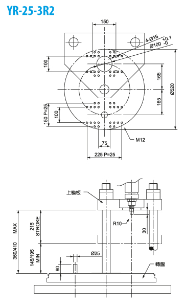
Размеры плит вертикального ТПА YUHDAK YR-25-3S

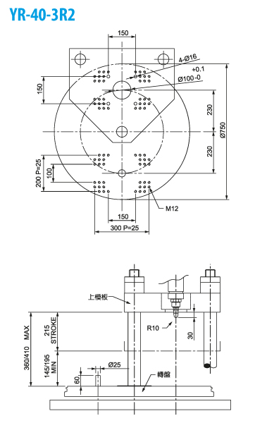
Размеры плит вертикального ТПА YUHDAK YR-40-3S

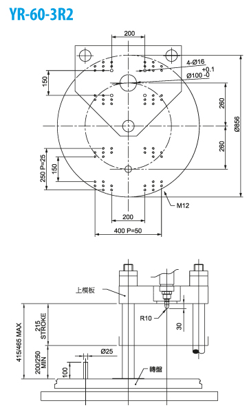
Размеры плит вертикального ТПА YUHDAK YR-60-3S


Размеры плит вертикального ТПА YUHDAK YR-90-3S

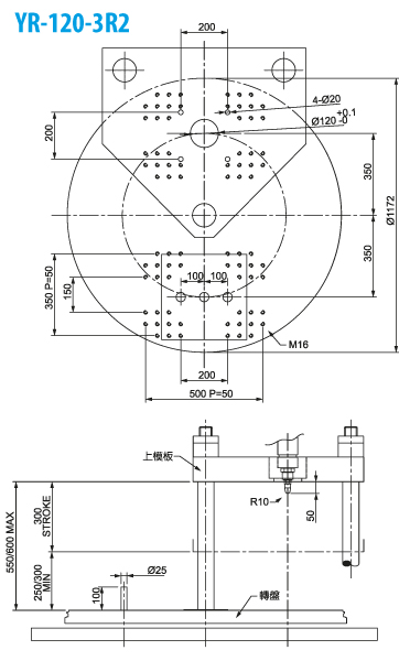
Размеры плит вертикального ТПА YUHDAK YR-120-3S

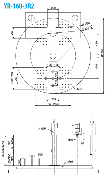
Размеры плит вертикального ТПА YUHDAK YR-160-3S


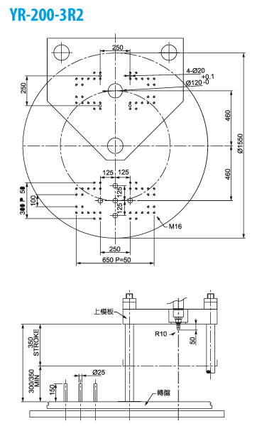
Размеры плит вертикального ТПА YUHDAK YR-200-3S

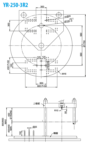
Размеры плит вертикального ТПА YUHDAK YR-250-3S


Смотрите также

Горизонтальный термопластавтомат SONLY U438TS
Cмыкание: 438 т
Впрыска: 1727-2218 см3
Между колонн: 785х695 мм
Подробнее
Быстросъемные соединения для пневматики. EBS серия 612
Проток: NW 12- NW 19
Давление: до 10 бар
Температура: -20°C +100°C
Подробнее
Чиллер с воздушным охлаждением конденсатора ISI TAN СС17
Хладопроизводительность 17,6 кВт
Подробнее
Керамические камни XEBEC
Подробнее

Остались вопросы?

Отправьте контактные данные и наши специалисты свяжутся с вами в течение дня.