Правильный город?
Все верно Изменить город
127254, г. Москва, ул. Руставели д. 14, стр. 6, оф. 8
Пн-Пт: с 9:00 до 18:00
Сб-Вс: выходной
Оставить заявку

Горизонтальный термопластавтомат SONLY U168TS

Фирма:

-

Описание:

Гидравлический ТПА SONLY серии TS

  • Усилием смыкания 168 т;
  • Расстояние между колонн 510х472 мм;
  • Объем впрыска от 314 до 452 см³ в зависимости от модификации шнека

Технические характеристики термопластавтомата SONLY U168TS


Модель U168TS
Международная спецификация 600
Шнек A B C
Узел впрыска
Диаметр шнека мм 40 45 48
Отношение L/D   24,8 22 20,6
Теоретический объем впрыска см3 313,7 397 451,7
Теоретический вес впрыска (PS) г 285 361 411
Давление впрыска мПа 191,1 151 132,7
Максимальная скорость вращения шнека об/мин 208
Узел смыкания
Усилие запирания кН 1680
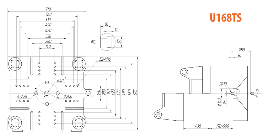
Максимальное открытие пресс-формы мм 430
Расстояние между колонн мм 510 х 472
Максимальная толщина пресс-формы мм 500
Минимальная толщина пресс-формы мм 170
Максимальный ход толкателей мм 130
Усилие толкателей кН 38
Количество толкателей шт 4+1
Другие характеристики
Диаметр установочного отверстия мм 125
Давление в системе мПа 16
Мощность двигателя (версия с фиксированным насосом) кВт 15
Мощность двигателя (версия с серводвигателем) кВт 22
Мощность нагревательных элементов кВт 13,2
Объем бака л 210
Вес кг 5000
Габаритные размеры мм 5250 х 1260 х 2020
Размеры плит термопластавтомата SONLY U168TS


Размеры плит термопластавтомата SONLY U168TS

Габаритные размеры термопластавтомата SONLY U168TS


Габаритные размеры термопластавтомата SONLY U168TS


Смотрите также

Компаунд для очистки шнека и ГКС Ultra Plast HT-S (компаунд)
Материал: PA, ABS, PEEK, PPS, PPO, ULTEM, PBT, PEI, PES, PSU, PPSU
Температура переработки: 250-420°С
Очистка шнека и ГКС
Подробнее
Водяные термостаты
Мощность нагрева от 3 до 36 кВт
Температура нагрева до +90 °C
Подробнее
Установки для очистки каналов охлаждения SmartClean Duall v3 PLC
Объем бака: 110 л
Количество насосов: 2 шт
Управление: сенсорный экран
Подробнее
Однофазные вакуумные загрузчики для пластмасс Huare
Мощность двигателя 1,1 кВт
Производительность от 350 до 400 кг/ч
Подробнее

Остались вопросы?

Отправьте контактные данные и наши специалисты свяжутся с вами в течение дня.